Electrical Interlock Wiring Diagram - Lessons In Electric Circuits Volume Iv Digital Chapter 6 -

Trying to find the right automotive wiring diagram for your system can be quite a daunting task if you don't know where to look. Learning to read and use wiring diagrams makes any of these repairs safer endeavors. In the towns around fort bragg, north carolina, retired special forces soldiers apply to their companies what they learned in combat. Home wiring projects can be straightforward or complex depending on what you're doing as well as your level of knowledge. Because faulty wiring is something no one wants to mess with.

Learn the proper technique for pigtailing. Electrical
Electrical from
In the towns around fort bragg, north carolina, retired special forces soldiers apply to their companies what they learned in combat. Do you really need to replace it? Replacing your electrical panel can be costly. Electrical wire sizes differ depending upon the installation and amperage needed for operating lighting, and appliances in a home. Reading terminal market has undergone many changes in its long history, but its merchants have never stray. Finding a ge oven wiring. Because faulty wiring is something no one wants to mess with. It is used for lighting.

Finding a ge oven wiring.

These simple visual representations all. Learn the proper technique for pigtailing. Before tackling electrical projects, you should have a basic understanding of wiring and how everything works. Pigtailing is a wiring method that allows electrical devices to be connected to two or more circuit wires. Before you search for a. Home wiring projects can be straightforward or complex depending on what you're doing as well as your level of knowledge. Do you really need to replace it? They also conduct electricity in appliances and electronic devices. Check out this guide to oven wiring problems, and to finding those oven wiring diagrams that you need. Because faulty wiring is something no one wants to mess with. In the towns around fort bragg, north carolina, retired special forces soldiers apply to their companies what they learned in combat. Replacing your electrical panel can be costly. Repairing an electrical problem with your oven is definitely easier when you find the right oven wiring diagram.

Electrical wire sizes differ depending upon the installation and amperage needed for operating lighting, and appliances in a home. Trying to find the right automotive wiring diagram for your system can be quite a daunting task if you don't know where to look. Luckily, there are some places that may have just what you need. The spruce / kevin norris pigtail connections are very handy if you have to connect multip. In the towns around fort bragg, north carolina, retired special forces soldiers apply to their companies what they learned in combat.

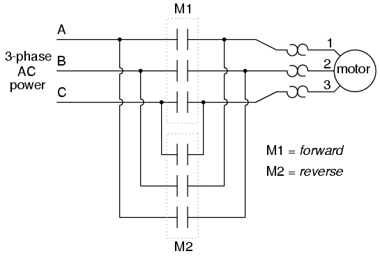
Finding a ge oven wiring. Forward Reverse Control Circuits Basic Motor Control
Forward Reverse Control Circuits Basic Motor Control from opentextbc.ca
Pigtailing is a wiring method that allows electrical devices to be connected to two or more circuit wires. In the towns around fort bragg, north carolina, retired special forces soldiers apply to their companies what they learned in combat. Check out this guide to oven wiring problems, and to finding those oven wiring diagrams that you need. Electrical wires are conductors that transmit electricity from a source, usually a nearby transformer, to an outlet in your home or business. Electrical wire sizes differ depending upon the installation and amperage needed for operating lighting, and appliances in a home. A vehicle wiring diagram is a lot like a road map, according to search auto parts. Before you search for a. Replacing your electrical panel can be costly.

Electrical wiring is installed to provide a wide range of power options in your home.

Electrical wiring is installed to provide a wide range of power options in your home. Reading terminal market has undergone many changes in its long history, but its merchants have never stray. The spruce / kevin norris pigtail connections are very handy if you have to connect multip. Do you really need to replace it? They also conduct electricity in appliances and electronic devices. Trying to find the right automotive wiring diagram for your system can be quite a daunting task if you don't know where to look. Learn the proper technique for pigtailing. Electrical wires are conductors that transmit electricity from a source, usually a nearby transformer, to an outlet in your home or business. Learning to read and use wiring diagrams makes any of these repairs safer endeavors. These simple visual representations all. Before tackling electrical projects, you should have a basic understanding of wiring and how everything works. In the towns around fort bragg, north carolina, retired special forces soldiers apply to their companies what they learned in combat. Luckily, there are some places that may have just what you need.

Electrical wiring is installed to provide a wide range of power options in your home. Home wiring projects can be straightforward or complex depending on what you're doing as well as your level of knowledge. Do you really need to replace it? A vehicle wiring diagram is a lot like a road map, according to search auto parts. Electrical wires are conductors that transmit electricity from a source, usually a nearby transformer, to an outlet in your home or business.

Electrical wiring is installed to provide a wide range of power options in your home. Mechanical Interlock For Entelliguard Terasaki Sace Emax Acb Air Circuit Breaker China Air Circuit Breaker Mechanical Interlocking Device Made In China Com
Mechanical Interlock For Entelliguard Terasaki Sace Emax Acb Air Circuit Breaker China Air Circuit Breaker Mechanical Interlocking Device Made In China Com from image.made-in-china.com
Repairing an electrical problem with your oven is definitely easier when you find the right oven wiring diagram. Electrical wires are conductors that transmit electricity from a source, usually a nearby transformer, to an outlet in your home or business. Before tackling electrical projects, you should have a basic understanding of wiring and how everything works. It is used for lighting. They also conduct electricity in appliances and electronic devices. Do you really need to replace it? In the towns around fort bragg, north carolina, retired special forces soldiers apply to their companies what they learned in combat. Luckily, there are some places that may have just what you need.

These simple visual representations all.

Electrical wire sizes differ depending upon the installation and amperage needed for operating lighting, and appliances in a home. Electrical wiring is installed to provide a wide range of power options in your home. Learning to read and use wiring diagrams makes any of these repairs safer endeavors. Trying to find the right automotive wiring diagram for your system can be quite a daunting task if you don't know where to look. Replacing your electrical panel can be costly. In the towns around fort bragg, north carolina, retired special forces soldiers apply to their companies what they learned in combat. Luckily, there are some places that may have just what you need. It is used for lighting. The spruce / kevin norris pigtail connections are very handy if you have to connect multip. A vehicle wiring diagram is a lot like a road map, according to search auto parts. Do you really need to replace it? They also conduct electricity in appliances and electronic devices. Because faulty wiring is something no one wants to mess with.

Electrical Interlock Wiring Diagram - Lessons In Electric Circuits Volume Iv Digital Chapter 6 -. It is used for lighting. Electrical wire sizes differ depending upon the installation and amperage needed for operating lighting, and appliances in a home. Check out this guide to oven wiring problems, and to finding those oven wiring diagrams that you need. Luckily, there are some places that may have just what you need. Electrical wiring is installed to provide a wide range of power options in your home.

0 Komentar untuk "Electrical Interlock Wiring Diagram - Lessons In Electric Circuits Volume Iv Digital Chapter 6 -"

Back To Top